Brezplačna dostava za spletna naročila nad 100 €.
Količina:

0


Znesek:

0,00

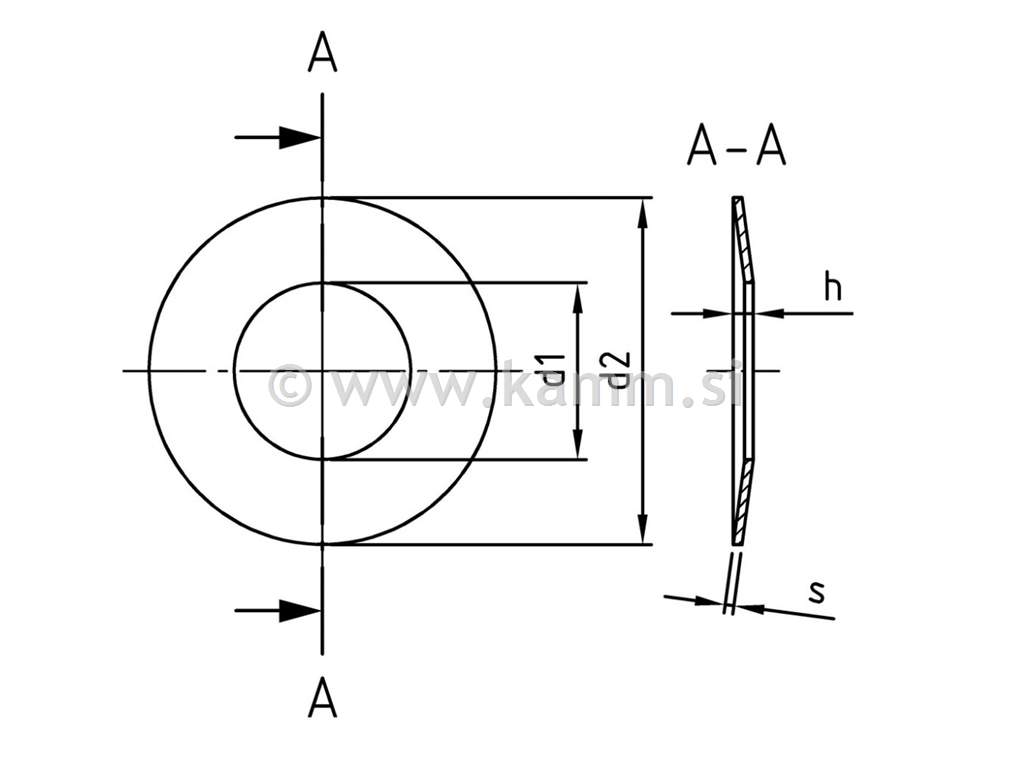
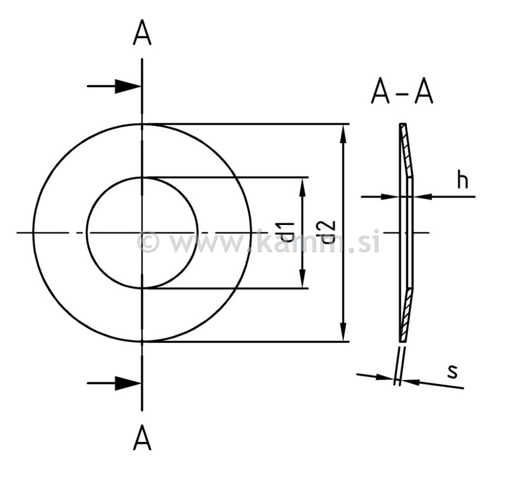
ČRNA KR.VZMET 10X3.2X0.5 2093

  • Cena brez DDV:

    0,08 €

  • Cena:

    0,10 €

  • Šifra artikla:

    73670

  • Enota:

    kos

Zaloga po skladiščihZaloga
KAMM d.o.o. vp Šenčur744
KAMM d.o.o. mp Šenčur0
KAMM d.o.o. skladišče Naklo0
KAMM d.o.o. mp Ljubljana0
KAMM d.o.o. vp Šenčur zgoraj0
Skupna zaloga po trgovinah744
V tabeli je prikazano trenutno stanje zaloge. Zadnja osvežitev: pred 37 min.
Dodaj v košarico
kos

Opis izdelka

notranji premer (d1) 3,2 mm
zunanji premer (d2) 10 mm
debelina (s) 0,5 mm